黄瓜视频成人免费版,黄瓜网站视频,黄瓜视频在线视频,黄瓜视频软件免费下载

型号查询
黄瓜网站视频型号   品牌
SIAIF
类型 内径   外径   厚度   点击查询

型号查询 X

SIAIF

不锈钢黄瓜网站视频,高温黄瓜网站视频,耐高温黄瓜网站视频,薄壁球黄瓜网站视频,自润滑黄瓜网站视频,转台黄瓜网站视频,外球面黄瓜网站视频,组合黄瓜网站视频,汽车黄瓜网站视频,角接触球黄瓜网站视频,无油黄瓜网站视频,交叉滚子黄瓜网站视频,调心球黄瓜网站视频,平面黄瓜网站视频,角接触黄瓜网站视频,哈尔滨黄瓜网站视频,高速黄瓜网站视频,陶瓷黄瓜网站视频,高温润滑脂,圆锥滚子黄瓜网站视频,推力球黄瓜网站视频,调心滚子黄瓜网站视频,圆柱滚子黄瓜网站视频,黄瓜网站视频座,SKF黄瓜网站视频,NSK黄瓜网站视频,NTN黄瓜网站视频,替代进口黄瓜网站视频型号查询

UCP204/VA208

高温带座外球面黄瓜网站视频 UCP204/VA208

产品名称:UCP204/VA208 类型:高温带座外球面黄瓜网站视频
品牌:SIAIF 新型号:UCP204/VA208
旧型号:UCP204/VA208 内径d:20
外径D:127 厚度(mm):64.5
重量:

咨询热线:13395101668

详细信息

带加长内圈和紧定螺钉锁紧的高温立式ISO 标准铸铁黄瓜网站视频座球黄瓜网站视频单元

立式(轴台式)球黄瓜网站视频单元包括一个安装在铸铁黄瓜网站视频座内的嵌入式黄瓜网站视频,黄瓜网站视频座可通过螺栓安装在支撑面上。 这种单元适用于旋转方向固定或交替的高温应用。 内圈两侧加长,通过拧紧内圈上的紧定螺钉锁定在轴上,便于安装。

  • 坚固

  • 适合高温应用

  • 适合恒定和交替旋转

  • 安装方便

  • 黄瓜网站视频已预填润滑脂并配备密封

  • 可在轴上快速锁定

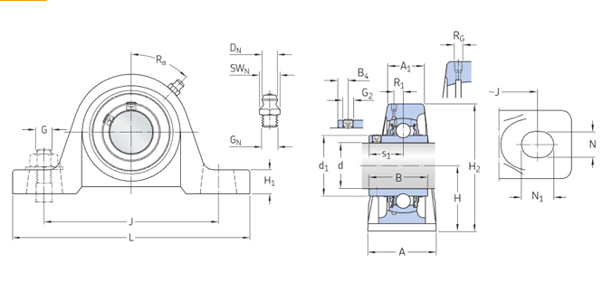
尺寸

d

20  mm

轴径
d1

 28.2  mm

内圈挡边直径
A

32  mm

底座宽度
A1

21  mm

最高宽度
B

31  mm

内圈宽度
B4

4.5  mm

锁定扣侧面到螺纹中心距离
H

33.3  mm

球形外表面的中心高度
H1

14  mm

阶梯高度
H2

64.5  mm

总高度
J

97  mm

连接螺栓之间的距离
J

min. 88  mm

连接螺栓之间的最小距离
J

max. 106  mm

连接螺栓之间的最大距离
L

127  mm

总宽度
N

11.5  mm

连接螺栓孔的宽度
N1

20.5  mm

连接螺栓孔的长度
s1

18.3  mm

锁定扣侧面到滚道中心的距离

数据计算

基本额定动荷C

12.7  kN

基本额定静负荷C0

6.55  kN

极限转速

260  r/min

工作温度T

max. 350  °C

重量

黄瓜网站视频单元重量

0.56  kg

安装信息

紧定螺钉G2

M6x0.75

紧定螺钉的六角扳手尺寸

3  mm

推荐的紧定螺钉拧紧力矩

4  N·m

连接螺栓,推荐公制G

10  mm

连接螺栓,推荐英制G

0.375  in

包含的产品

黄瓜网站视频UC204/VA208


高温带座外球面黄瓜网站视频选鲁岳不锈钢黄瓜网站视频(无锡)有限公司,高温带座外球面黄瓜网站视频厂家主要生产SIAIF耐高温黄瓜网站视频、不锈钢黄瓜网站视频、高温带座外球面黄瓜网站视频,高温带座外球面黄瓜网站视频 UCP204/VA208产品相关信息:型号:UCP204/VA208,   品牌:SIAIF黄瓜网站视频 ,  类型:高温带座外球面黄瓜网站视频 ,  内径:20mm ,  外径:127mm ,  厚度:64.5mm ,  想要更多的了解无锡高温带座外球面黄瓜网站视频 UCP204/VA208的相关产品信息,可以拨打服务热线 ,黄瓜视频成人免费版会为您详细介绍产品的相关服务。

鲁岳不锈钢黄瓜网站视频(无锡)有限公司生产的SIAIF高温带座外球面黄瓜网站视频 UCP204/VA208 使用范围很广,主要应用于钢厂冶金、玻璃、高炉、喷漆设备、矿山机械、输送机、传输装置、锅炉风机、真空设备、窑炉窑车、机床设备、工程机械、、输送设备、颗粒机、振动筛、汽车、石油、电力、电机、风电设备等高温作业机械。本公司生产的高温带座外球面黄瓜网站视频 UCP204/VA208>产品价格合理,保证质量,满足客户的产品工艺需求。

网站地图