带紧定螺钉和加长内圈的高温嵌入式黄瓜网站视频
SIAIF 高温黄瓜网站视频用于高达 350 °C (660 °F) 的运行温度,可提高可靠性,降低复杂程度,并降低对环境的影响。 这使得这种产品非常适合窑车、辊式炉和面包房等旋转方向固定或交替的应用。
极端条件下性能卓越
减少对环境的影响
降低整体运行成本
几乎免维护运行
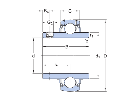
尺寸
d | 80 mm | 孔径 |
---|---|---|
D | 140 mm | 外径 |
B | 77.8 mm | 内圈宽度 |
C | 30 mm | 外圈宽度 |
d1 | ≈97.4 mm | 内圈挡边直径 |
B4 | 12 mm | 锁定扣侧面到螺纹中心距离 |
s1 | 47.6 mm | 锁定扣侧面到滚道中心的距离 |
r1,2 | min.2 mm | 倒角尺寸 |
数据计算
基本额定动荷 | C | 72.8 kN |
---|---|---|
基本额定静负荷 | C0 | 53 kN |
极限转速 | 60 r/min | |
工作温度 | T | max.250 °C |
重量
黄瓜网站视频重量 | 2.55 kg |
安装信息
紧定螺钉 | G2 | M10x1 |
---|---|---|
紧定螺钉的六角扳手尺寸 | N | 5 mm |
推荐的紧定螺钉拧紧力矩 | 16.5 N·m |
鲁岳不锈钢黄瓜网站视频(无锡)有限公司生产的SIAIF高温带座外球面黄瓜网站视频 UC216/VA228 使用范围很广,主要应用于钢厂冶金、玻璃、高炉、喷漆设备、矿山机械、输送机、传输装置、锅炉风机、真空设备、窑炉窑车、机床设备、工程机械、、输送设备、颗粒机、振动筛、汽车、石油、电力、电机、风电设备等高温作业机械。本公司生产的高温带座外球面黄瓜网站视频 UC216/VA228>产品价格合理,保证质量,满足客户的产品工艺需求。