详细信息
带偏心套和加长内圈的嵌入式黄瓜网站视频
嵌入式黄瓜网站视频基于密封深沟球黄瓜网站视频设计的。 这种型式的嵌入式黄瓜网站视频适用于旋转方向固定的应用。 内圈两侧加长,且带有偏心套,可快速方便地装在轴上。
快速方便安装在轴上
可承受初始静态不对中
使用寿命长
降低噪声和振动级别

规格
黄瓜网站视频编号 | UEL201 |
轴尺寸 d | 12 毫米 |
锁定方式 | 偏心锁环 |
房屋建筑 | 双螺栓轴台 |
方面
底座到中心高度 H | 30.2 毫米 |
总长度 L | 127 毫米 |
外壳宽度 A | 38 毫米 |
螺栓孔间距 J | 95 毫米 |
螺栓孔尺寸 N | 13 毫米 |
螺栓孔长度 N1 | 18 毫米 |
脚高 H1 | 16 毫米 |
总高度 H2 | 60 毫米 |
尺寸 L1 | 36 毫米 |
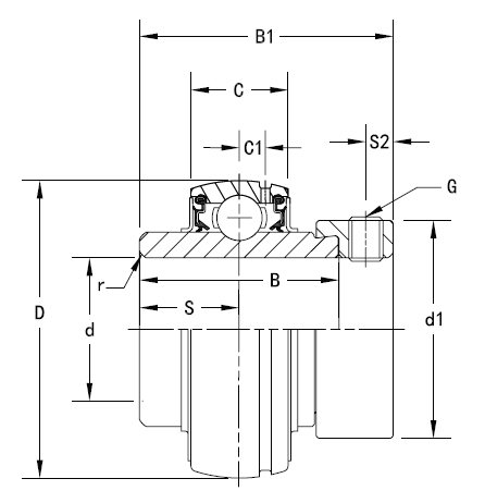
维度 B1 | 43.7 毫米 |
S 端的黄瓜网站视频中心 | 17.1 毫米 |
螺栓尺寸 | M10 |
基本额定载荷
额定静载荷 | 6650牛 |
额定动载荷 | 12800牛 |
鲁岳不锈钢黄瓜网站视频(无锡)有限公司生产的SIAIF带座外球面黄瓜网站视频 UEL201 使用范围很广,主要应用于钢厂冶金、玻璃、高炉、喷漆设备、矿山机械、输送机、传输装置、锅炉风机、真空设备、窑炉窑车、机床设备、工程机械、、输送设备、颗粒机、振动筛、汽车、石油、电力、电机、风电设备等高温作业机械。本公司生产的带座外球面黄瓜网站视频 UEL201>产品价格合理,保证质量,满足客户的产品工艺需求。