黄瓜视频成人免费版,黄瓜网站视频,黄瓜视频在线视频,黄瓜视频软件免费下载

型号查询
黄瓜网站视频型号   品牌
SIAIF
类型 内径   外径   厚度   点击查询

型号查询 X

SIAIF

不锈钢黄瓜网站视频,高温黄瓜网站视频,耐高温黄瓜网站视频,薄壁球黄瓜网站视频,自润滑黄瓜网站视频,转台黄瓜网站视频,外球面黄瓜网站视频,组合黄瓜网站视频,汽车黄瓜网站视频,角接触球黄瓜网站视频,无油黄瓜网站视频,交叉滚子黄瓜网站视频,调心球黄瓜网站视频,平面黄瓜网站视频,角接触黄瓜网站视频,哈尔滨黄瓜网站视频,高速黄瓜网站视频,陶瓷黄瓜网站视频,高温润滑脂,圆锥滚子黄瓜网站视频,推力球黄瓜网站视频,调心滚子黄瓜网站视频,圆柱滚子黄瓜网站视频,黄瓜网站视频座,SKF黄瓜网站视频,NSK黄瓜网站视频,NTN黄瓜网站视频,替代进口黄瓜网站视频型号查询

UEL215

带座外球面黄瓜网站视频 UEL215

产品名称:UEL215 类型:带座外球面黄瓜网站视频
品牌:SIAIF 新型号:UEL215
旧型号:UEL215 内径d:75
外径D:130 厚度(mm):92.1
重量:

咨询热线:13395101668

详细信息

嵌入式黄瓜网站视频基于密封深沟球黄瓜网站视频设计的。 这种型式的嵌入式黄瓜网站视频适用于旋转方向固定的应用。 内圈两侧加长,且带有偏心套,可快速方便地装在轴上。

  • 快速方便安装在轴上

  • 可承受初始静态不对中

  • 使用寿命长

  • 降低噪声和振动级别



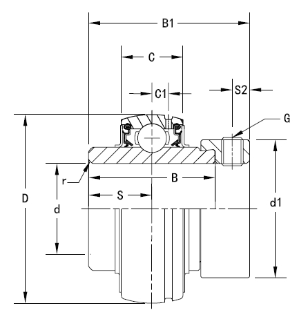
规格

孔型

圆柱孔

黄瓜网站视频类型

滚珠黄瓜网站视频

轴尺寸 d

75 毫米

材料

黄瓜网站视频钢

锁定方式

偏心锁环

方面

外径D

130.000 毫米

内圈宽度 B

74.6 毫米

外圈宽度 C

32 毫米

半径r

1.5 毫米

凹槽位置 C1

9 毫米

S 端的黄瓜网站视频中心

37.3 毫米

紧定螺钉距离 S2

8.5 毫米

紧定螺钉尺寸

M10x1.25

紧定螺钉数量

1个

尺寸 d1

102 毫米

维度 B1

92.1 毫米

基本额定载荷

额定静载荷

48300牛

额定动载荷

67400牛


带座外球面黄瓜网站视频选鲁岳不锈钢黄瓜网站视频(无锡)有限公司,带座外球面黄瓜网站视频厂家主要生产SIAIF耐高温黄瓜网站视频、不锈钢黄瓜网站视频、带座外球面黄瓜网站视频,带座外球面黄瓜网站视频 UEL215产品相关信息:型号:UEL215,   品牌:SIAIF黄瓜网站视频 ,  类型:带座外球面黄瓜网站视频 ,  内径:75mm ,  外径:130mm ,  厚度:92.1mm ,  想要更多的了解无锡带座外球面黄瓜网站视频 UEL215的相关产品信息,可以拨打服务热线 ,黄瓜视频成人免费版会为您详细介绍产品的相关服务。

鲁岳不锈钢黄瓜网站视频(无锡)有限公司生产的SIAIF带座外球面黄瓜网站视频 UEL215 使用范围很广,主要应用于钢厂冶金、玻璃、高炉、喷漆设备、矿山机械、输送机、传输装置、锅炉风机、真空设备、窑炉窑车、机床设备、工程机械、、输送设备、颗粒机、振动筛、汽车、石油、电力、电机、风电设备等高温作业机械。本公司生产的带座外球面黄瓜网站视频 UEL215>产品价格合理,保证质量,满足客户的产品工艺需求。

网站地图