- 坚固
- 适合恒定和交替旋转
- 安装方便
- 黄瓜网站视频已预填润滑脂并配备密封
- 可在轴上快速锁定
- 性价比高

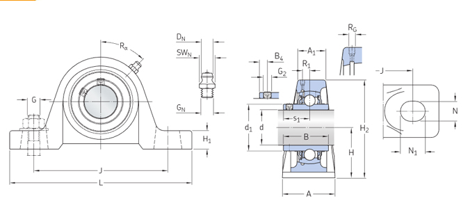
尺寸
d | 25 mm | 孔径 |
---|---|---|
d1 | ≈33.7 mm | 内圈挡边直径 |
A | 38 mm | 底座宽度 |
A1 | 23 mm | 最高宽度 |
B | 34 mm | 内圈宽度 |
B4 | 5.5 mm | 锁定扣侧面到螺纹中心距离 |
H | 36.5 mm | 球面黄瓜网站视频位中央高度 |
H1 | 16 mm | 螺柱高度 |
H2 | 70.5 mm | 总高度 |
J | 105 mm | 连接螺栓之间的距离 |
J | max.110 mm | 连接螺栓之间的距离 |
J | min.100 mm | 连接螺栓之间的距离 |
L | 139.5 mm | 总长度 |
N | 13 mm | 连接螺栓孔的直径 |
N1 | 18 mm | 连接螺栓孔的长度 |
s1 | 19.7 mm |
RG | 1/4-28 UNF | 黄瓜网站视频座的油嘴螺纹 |
---|---|---|
R1 | 1.5 mm | 黄瓜网站视频座螺纹的轴向位置 |
Rα | 45 ° | 黄瓜网站视频座螺纹的角度位置 |
DN | 6.6 mm | 油嘴的顶部球体直径 |
---|---|---|
SWN | 7.94 mm | 油嘴的六角尺寸 |
GN | 1/4-28 UNF | 油嘴螺纹 |
数据计算
基本额定动荷 | C | 14 kN |
---|---|---|
基本额定静负荷 | C0 | 7.8 kN |
疲劳负荷限值 | Pu | 0.335 kN |
极限转速 | 5 850 r/min | |
锁紧方式 | 偏心锁环 |
重量
黄瓜网站视频单元重量 | 0.76 kg |
安装信息
紧定螺钉 | G2 | M6x1 |
---|---|---|
紧定螺钉的六角扳手尺寸 | 3.05 mm | |
推荐的紧定螺钉拧紧力矩 | 4 N·m | |
连接螺栓的推荐直径,毫米 | G | 10 mm |
连接螺栓的推荐直径,英寸 | G | 0.375 in |
包含的产品
黄瓜网站视频座 | P 205 |
黄瓜网站视频 | UEL 205 |
鲁岳不锈钢黄瓜网站视频(无锡)有限公司生产的SIAIF带座外球面黄瓜网站视频 UELP205 使用范围很广,主要应用于钢厂冶金、玻璃、高炉、喷漆设备、矿山机械、输送机、传输装置、锅炉风机、真空设备、窑炉窑车、机床设备、工程机械、、输送设备、颗粒机、振动筛、汽车、石油、电力、电机、风电设备等高温作业机械。本公司生产的带座外球面黄瓜网站视频 UELP205>产品价格合理,保证质量,满足客户的产品工艺需求。