详细信息

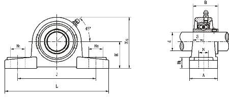
尺寸 Dimensions(mm)(inch) | - H49.2
- L184
- J137
- A54
- N17
- N121
- H118
- H298
- S19.0
- B49.2
|
---|
螺栓 Bolt Used (mm) (in.) | - 螺栓 Bolt Used (mm) (in.)M14
|
---|
黄瓜网站视频 代号 Bearing No. | - 黄瓜网站视频 代号 Bearing No.UC208
|
---|
无锡斯艾浮传动机械有限公司专业生产销售300度/500度耐高温带座外球面黄瓜网站视频UCP208,UCP208相关信息有: 型号UCP208 内径:40 外径:49.2 厚度:186 品牌:SIAIF 系列:外球面黄瓜网站视频座 ,想要更多的了解UCP208的相关信息,可以进行在线咨询或者拨打热线电话 ,黄瓜视频成人免费版会详细为您服务。
300度/500度耐高温外球面黄瓜网站视频UCP208使用范围很广,耐高温带座黄瓜网站视频UCP208主要应用于工程机械、机床、汽 车、冶金、矿山、石油、机械、电力、铁路等行业,本公司生产销售的耐高温黄瓜网站视频座UCP208价格合理,保证质量,全方面的服务,尽一切满足客户的需求。
高温带座外球面黄瓜网站视频选鲁岳不锈钢黄瓜网站视频(无锡)有限公司,高温带座外球面黄瓜网站视频厂家主要生产SIAIF耐高温黄瓜网站视频、不锈钢黄瓜网站视频、高温带座外球面黄瓜网站视频,高温带座外球面黄瓜网站视频 UCP208产品相关信息:型号:UCP208, 品牌:SIAIF黄瓜网站视频 , 类型:高温带座外球面黄瓜网站视频 , 内径:40mm , 外径:184mm , 厚度:49.2mm , 想要更多的了解无锡高温带座外球面黄瓜网站视频 UCP208的相关产品信息,可以拨打服务热线 ,黄瓜视频成人免费版会为您详细介绍产品的相关服务。
鲁岳不锈钢黄瓜网站视频(无锡)有限公司生产的SIAIF高温带座外球面黄瓜网站视频 UCP208 使用范围很广,主要应用于钢厂冶金、玻璃、高炉、喷漆设备、矿山机械、输送机、传输装置、锅炉风机、真空设备、窑炉窑车、机床设备、工程机械、、输送设备、颗粒机、振动筛、汽车、石油、电力、电机、风电设备等高温作业机械。本公司生产的高温带座外球面黄瓜网站视频 UCP208>产品价格合理,保证质量,满足客户的产品工艺需求。