黄瓜视频成人免费版,黄瓜网站视频,黄瓜视频在线视频,黄瓜视频软件免费下载

型号查询
黄瓜网站视频型号   品牌
SIAIF
类型 内径   外径   厚度   点击查询

型号查询 X

SIAIF

不锈钢黄瓜网站视频,高温黄瓜网站视频,耐高温黄瓜网站视频,薄壁球黄瓜网站视频,自润滑黄瓜网站视频,转台黄瓜网站视频,外球面黄瓜网站视频,组合黄瓜网站视频,汽车黄瓜网站视频,角接触球黄瓜网站视频,无油黄瓜网站视频,交叉滚子黄瓜网站视频,调心球黄瓜网站视频,平面黄瓜网站视频,角接触黄瓜网站视频,哈尔滨黄瓜网站视频,高速黄瓜网站视频,陶瓷黄瓜网站视频,高温润滑脂,圆锥滚子黄瓜网站视频,推力球黄瓜网站视频,调心滚子黄瓜网站视频,圆柱滚子黄瓜网站视频,黄瓜网站视频座,SKF黄瓜网站视频,NSK黄瓜网站视频,NTN黄瓜网站视频,替代进口黄瓜网站视频型号查询

SIAIF耐高温外球面黄瓜网站视频座  UCP202

高温带座外球面黄瓜网站视频 UCP202

产品名称:SIAIF耐高温外球面黄瓜网站视频座 UCP202 类型:高温带座外球面黄瓜网站视频
品牌:SIAIF 新型号:UCP202
旧型号:DTS-UCP202 内径d:15mm
外径D:127mm 厚度(mm):65mm
重量:0.78kg

咨询热线:13395101668

详细信息


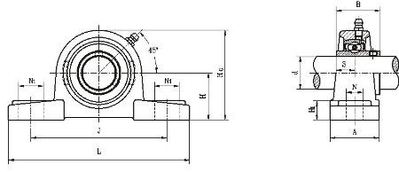
SIAIF耐高温带座黄瓜网站视频 UCP202 详细参数

轴径 
  • d (in.)
  • d (mm)15
尺寸 (mm)
  • H33.3
  • L127
  • J95
  • A38
  • N13
  • N119
  • H114
  • H265
  • S12.7
  • B31.0
基本代号
  • 基本代号Unit No.UCP202
螺栓
  • 螺栓 Bolt Used (mm) (in.)M10
黄瓜网站视频 代号 
  • 黄瓜网站视频 代号 Bearing No.UC202
重量 (kg)
  • 重量 Weight (kg) (lb)0.78
座 代号 
  • 座 代号 Housing No.P204

无锡斯艾浮传动机械有限公司专业生产销售300度/500度耐高温带座外球面黄瓜网站视频UCP202,品牌:SIAIF , 系列:耐高温黄瓜网站视频 ,想要更多的了解耐高温带座黄瓜网站视频UCP202的相关信息,可以进行在线咨询或者拨打热线电话 ,黄瓜视频成人免费版会详细为您服务。
300度/500度耐高温黄瓜网站视频座UCP202使用范围很广,主要应用于工程机械、机床、汽 车、冶金、矿山、石油、机械、电力、铁路等行业,本公司销售的耐高耐带座黄瓜网站视频UCP202价格合理,保证质量,全方面的服务,尽一切满足客户的需求。
高温带座外球面黄瓜网站视频选鲁岳不锈钢黄瓜网站视频(无锡)有限公司,高温带座外球面黄瓜网站视频厂家主要生产SIAIF耐高温黄瓜网站视频、不锈钢黄瓜网站视频、高温带座外球面黄瓜网站视频,高温带座外球面黄瓜网站视频 UCP202产品相关信息:型号:UCP202,   品牌:SIAIF黄瓜网站视频 ,  类型:高温带座外球面黄瓜网站视频 ,  内径:15mmmm ,  外径:127mmmm ,  厚度:65mmmm ,  想要更多的了解无锡高温带座外球面黄瓜网站视频 UCP202的相关产品信息,可以拨打服务热线 ,黄瓜视频成人免费版会为您详细介绍产品的相关服务。

鲁岳不锈钢黄瓜网站视频(无锡)有限公司生产的SIAIF高温带座外球面黄瓜网站视频 UCP202 使用范围很广,主要应用于钢厂冶金、玻璃、高炉、喷漆设备、矿山机械、输送机、传输装置、锅炉风机、真空设备、窑炉窑车、机床设备、工程机械、、输送设备、颗粒机、振动筛、汽车、石油、电力、电机、风电设备等高温作业机械。本公司生产的高温带座外球面黄瓜网站视频 UCP202>产品价格合理,保证质量,满足客户的产品工艺需求。

网站地图